We use cookies to enhance the usability of our website. If you continue, we'll assume that you are happy to receive all cookies. More information. Don't show this again.
MTMR11
HPA
RESOURCES
  • TISSUE
  • BRAIN
  • SINGLE CELL
  • SUBCELLULAR
  • CANCER
  • BLOOD
  • CELL LINE
  • STRUCTURE & INTERACTION
ABOUT
  • INTRODUCTION
  • HISTORY
  • ORGANIZATION
  • PUBLICATIONS
  • ANTIBODY SUBMISSION
  • ANTIBODY AVAILABILITY
  • ACKNOWLEDGMENTS
  • CONTACT
NEWS
  • NEWS ARTICLES
  • PRESS ROOM
LEARN
  • DICTIONARY
  • PROTEIN CLASSES
  • PROTEIN EVIDENCE
  • METHODS
  • EDUCATIONAL VIDEOS
DATA
  • DOWNLOADABLE DATA
  • PUBLICATION DATA
  • RELEASE HISTORY
HELP
  • ANTIBODY VALIDATION
  • ASSAYS & ANNOTATION
  • DISCLAIMER
  • HELP & FAQ
  • PRIVACY STATEMENT
  • LICENCE & CITATION
Fields »
Search result

Field
Term
Gene name
Class
Subclass
Class
Keyword
Chromosome
External id
Tissue
Cell type
Expression
Antibody panel
Tissue
Main location
Patient ID
Annotation
Tissue
Category
Tau score
Cluster
Reliability
Brain region
Category
Tau score
Brain region
Category
Tau score
Brain region
Category
Tau score
Cluster
Reliability
Tissue
Cell type
Enrichment
Cell type
Category
Tau score
Cell type
Category
Tau score
Cell type
Category
Tau score
Cell lineage
Category
Tau score
Cluster
Cluster
Location
Searches
Location
Cell line
Class
Type
Phase
Reliability
Cancer
Prognosis
Cancer
Category
Cancer
Category
Tau score
Cluster
Variants
Interacting gene (ensg_id)
Type
Number of interactions
Pathway
Category
Score
Score
Score
Validation
Validation
Validation
Validation
Antibodies
Data type
Column


  • SUMMARY

  • TISSUE

  • BRAIN

  • SINGLE CELL

  • SUBCELL

  • CANCER

  • BLOOD

  • CELL LINE

  • STRUCT & INT

  • MTMR11
PROTEIN SUMMARY GENE INFORMATION RNA DATA ANTIBODY DATA
Antibody HPA030351 Antibody HPA072906
ANTIBODY INFORMATION
Provider Atlas Antibodies
Sigma-Aldrich
Atlas Antibodies
Sigma-Aldrich
Product name HPA030351 HPA072906
Host species Rabbit Rabbit
Clonalityi

The antibodies are designated mAB for monoclonal and pAb for polyclonal.

pAb pAb
Concentration 0.084 mg/ml 0.308 mg/ml
Purity Affinity purified using the PrEST-antigen as affinity ligand Affinity purified using the PrEST-antigen as affinity ligand
Released in versioni

The release of the Human Protein Atlas in which the antibody was first published.

6.0 20.0
Proper citation Atlas Antibodies Cat#HPA030351, RRID:AB_10602185 n/a
Validation summaryi

All assays through which the antibody has been validated. Assays&annotation provide a detailed description of the different assays. The pie-charts indicate degree of validation.

ICC 
IHC 
WB 
PA 
N/A
ICC
IHC 
WB 
PA 
IMMUNOCYTOCHEMISTRYi

Immunocytochemistry is used to validate the antibody staining and for assessing and validating the protein expression pattern in selected human cell lines.

Validationi

Results of validation by standard or enhanced validation.

Standard validation is based on concordance with available experimental gene/protein characterization data in the UniProtKB/Swiss-Prot database. Standard validation results in scores Supported, Approved or Uncertain.

Enhanced validation is performed using either siRNA knockdown, tagged GFP cell lines or independent antibodies. For the siRNA validation the decrease in antibody-based staining intensity upon target protein downregulation is evaluated. For the GFP validation the signal overlap between the antibody staining and the GFP-tagged protein is evaluated. For the independent antibodies validation the evaluation is based on comparison of the staining of two (or more) independent antibodies directed towards independent epitopes on the protein.

For all cases except the siRNA validation, an image representative of the antibody staining pattern is shown. For the siRNA validation, a box plot of the results is shown.

Approvedi

Reliability scores for antibodies used in immunocytochemistry are set by comparing the staining pattern in cell lines with external experimental evidence for protein localization. The scores are termed Supported, Approved and Uncertain.



The subcellular location is partly supported by literature or no literature is available.
Immunofluorescent staining of human cell line U-251MG shows localization to centrosome.
N/A
Antibody dilution
Human assay: A-431 fixed with PFA, dilution: 1:50
Human assay: U-251MG fixed with PFA, dilution: 1:50
Human assay: U2OS fixed with PFA, dilution: 1:50
IMMUNOHISTOCHEMISTRYi

Immunohistochemistry is used for validating antibody reliability by assessing staining pattern in 44 normal tissues. Validation scores include Enhanced, Supported, Approved and Uncertain.

Validationi

Results of validation by standard or enhanced validation based on assessment of antibody performance in 44 normal tissues.

Standard validation results in scores Supported, Approved or Uncertain. An image representative of the antibody staining pattern is shown.

Enhanced validation results in the score Enhanced and includes two methods: Orthogonal validation and Independent antibody validation. For orthogonal validation, representative images of high and low expression are shown. For independent antibody validation, four images of each independent antibody are displayed.

Approvedi

Immunohistochemistry is used for validating antibody reliability by assessing staining pattern in 44 normal tissues. Validation scores include Enhanced, Supported, Approved and Uncertain.


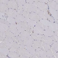
Immunohistochemical staining of human bone marrow shows strong cytoplasmic positivity in megakaryocytes.
Bone marrow
Enhanced - Orthogonal

Antibody staining mainly consistent with RNA expression data across 43 tissues.
HIGH EXPRESSION
Rectum
RNA expression: 25.9 nTPM
LOW EXPRESSION
Skeletal muscle
RNA expression: 1.0 nTPM
Retrievali

Antigen retrieval is a method used to restore/retrieve the epitope (antibody bidning region) of the target protein, cross-linked, and thus masked, during tissue preserving fixative treatment of the tissues.

HIER pH6 HIER pH6
Antibody dilution 1:8 1:950
Literature conformityi

Conformance of the expression pattern with available gene/protein characterization data in scientific literature and data from bioinformatic predictions.

UniProt is used as the main source of gene/protein characterization data and when relevant, available publications and other sources of information are researched in depth. Extensive or sufficient gene/protein data requires that there is evidence of existence on a protein level and that a substantial quantity of published experimental data is available from literature and public databases. Limited protein/gene characterization data does not require evidence of existence on a protein level and refers to genes for which only bioinformatic predictions and scarce published experimental data is available.

No avaliable gene/protein characterization data. No avaliable gene/protein characterization data.
RNA consistencyi

Consistency between immunohistochemistry data and consensus RNA levels is divided into five different categories: i) High consistency, ii) Medium consistency, iii) Low consistency, iv) Very low consistency, and v) Cannot be evaluated.

Medium consistency between antibody staining and RNA expression data. Medium consistency between antibody staining and RNA expression data.
WESTERN BLOTi

A Western blot analysis is performed on a panel of human tissues and cell lines to evaluate antibody specificity. For antibodies with unreliable result a revalidation using an over-expression lysate is performed.

Validationi

Western Blot is used for quality control of the polyclonal antibodies generated in the project. After purification, the antibodies are used to detect bands in a setup of lysate and different tissues. The result is then scored Enhanced, Supported, Approved, or Uncertain.

Enhanced validation includes five different methods: Genetic validation, Recombinant expression validation, Independent antibody validation, Orthogonal validation and Capture MS validation.

Uncertaini

The staining of an antibody is evaluated by Western Blot through analysis of samples from different cell lysates. A supportive score is given if band(s) of predicted size in kDa (+/-20%) is detected.



No bands detected.
Analysis performed using a standard panel of samples.
230
130
95
72
56
36
28
17
11
Uncertaini

The staining of an antibody is evaluated by Western Blot through analysis of samples from different cell lysates. A supportive score is given if band(s) of predicted size in kDa (+/-20%) is detected.



Single band differing more than +/-20% from predicted size in kDa and not supported by experimental and/or bioinformatic data.
Analysis performed using a standard panel of samples.
250
130
95
72
55
36
28
17
10
Antibody dilution 1:250
1:510
PROTEIN ARRAY
Validationi

A protein array containing 384 different antigens including the antibody target is used to analyse antibody specificity. Depending on the array interaction profile the antibody is scored as Supported, Approved, or Uncertain.

Approved

Pass with quality comment low specificity (binding to 1-2 antigens >15% and <40%).
Antibody specificity analysis with protein arrays. Predicted and matching interactions are shown in green.
Supported

Pass with single peak corresponding to interaction only with its own antigen.
Antibody specificity analysis with protein arrays. Predicted and matching interactions are shown in green.
Antibody dilution 1:3000 1:6150
ANTIGEN INFORMATION
Antigen Recombinant protein fragment Recombinant protein fragment
Length (aa) 99 92
Antigen sequence FLLALHDSVRVPDTLTFLRNTPWERGKQSGQLNSYTQVYTPGYSQPPAGN SFNLQLSVWDWDLRYSNAQILQFQNPGYDPEHCPDSWLPRPQPSFMVPG EVRRAFGHFHQGRGPRLSWHHPGGSDLLRCGGFYTASDPNKEDIRAVELM LQAGHSDVVLVDTMDELPSLADVQLAHLRLRALCLPDSSVAE
Matching transcripts MTMR11-201 - ENSP00000358136 [100%]
MTMR11-202 - ENSP00000391668 [100%]
MTMR11-201 - ENSP00000358136 [100%]
MTMR11-202 - ENSP00000391668 [100%]
Matching mouse transcripts ENSMUSP00000062341 [82%]
ENSMUSP00000032736 [27%]
ENSMUSP00000022511 [25%]
ENSMUSP00000062341 [92%]
ENSMUSP00000032736 [27%]
ANTIGEN VIEWi

The Structure section provides in-house generated structures, predicted using the Alphafold source code, for the majority of the proteins and their related isoforms.

Displaying protein features on the AlphaFold structures

Individual splice variants can be selected in the top part of the Protein Browser (see below) and different transcript-related features such as transmembrane regions, InterPro domains and antigen sequences for antibodies can be displayed in the structure by clicking on the respective features in the Protein Browser.

Clinical and population-based amino acid variants based on data from the Ensembl variation database and AlphaMissense (AM) predictions can be highlighted using the sliders to the right of the structure. These can also be used to colour the entire structure by residue index or make the structure autorotate.The structures are displayed using the NGL Viewer and can also be zoomed-in and rotated manually.

The Protein Browser

The ProteinBrowser displays the antigen location on the target protein(s) and the features of the target protein. Transcript names and schematic transcript structures including exons, introns and UTRs for the different isoforms are shown on top, and can be used to switch between the structures for the different splice variants.

At the top of the view, the position of the antigen (identified by the corresponding HPA identifier) is shown as a green bar. A yellow triangle on the bar indicates a <100% sequence identity to the protein target.

Below the antigens, the maximum percent sequence identity of the protein to all other proteins from other human genes is displayed, using a sliding window of 10 aa residues (HsID 10) or 50 aa residues (HsID 50). The region with the lowest possible identity is always selected for antigen design, with a maximum identity of 60% allowed for designing a single-target antigen (read more).

The curve in blue displays the predicted antigenicity i.e. the tendency for different regions of the protein to generate an immune response, with peak regions being predicted to be more antigenic.The curve shows average values based on a sliding window approach using an in-house propensity scale. (read more).

Signal peptides (turquoise) and membrane regions (orange) based on predictions using the majority decision methods MDM and MDSEC are also displayed.

Low complexity regions are shown in yellow and InterPro regions in green. Common (purple) and unique (grey) regions between different splice variants of the gene are also displayed (read more), and at the bottom of the protein view is the protein scale.
MTMR11-201
MTMR11-202

Contact

  • NEWS ARTICLES
  • PRESS ROOM

The Project

  • INTRODUCTION
  • ORGANIZATION
  • PUBLICATIONS

The Human Protein Atlas

  • DOWNLOADABLE DATA
  • LICENCE & CITATION
  • HELP & FAQ
The Human Protein Atlas project is funded
by the Knut & Alice Wallenberg Foundation.


contact@proteinatlas.org